

The DWEC series megapixels network hd series explosion-proof quick spherical camera consists of two parts;Outside of the explosion-proof cover parts, cameras.External explosion protection shield by spherical camera shield and cable into the device of two parts.Rapid spherical explosion-proof camera cover assembly is composed of shell parts, Windows components;Cable entry device by glue ontology, composite cables,compression screw, sealing ring and rubber composition.Shell using 304 or 316L steel structure.
Within the pressure-resistant enclosure, various camera modules and lenses reflecting different technical specifications. Accessory components such as PTC heating elements, miniature fans, NIR LED, lighting devices,mechanical components and clamps made of aluminum are optional. Criteria for selecting the camera module are, for example, trans-mission technology (digital or analog), control functions (IR cut filter, iris, focus), light sensitivity, angle of view, object distance, resolution, optical zoom range, frame rate, or transmission delay.
Thermal imaging applications are possible as well.
Service hotline:
0523-88317000 88318288
? Stainless Steel 304 or 316L withelectro-polish finish
? It can carry HD-IP HD network camera core,HD-SDI high-definition digital camera core and traditional analog camera core.
? All-In-One - Receiver, Pan/Tilt, Enclosure &Optics Package (IOP) & Auto-Heater(Optional)
? Multiple Language options
? Advanced OSD Menu
? Alarm inputs/outputs
? Various scanning options
? Intelligent system with many features
The DWEC-P is designed and ATEX/IECEX certified for use in hazardous area locations and areas with extreme weather conditions such as:
?Chemical Plants ?Petrochemical Plant
?Off shore Drilling Rigs ?Land-based Drilling Rig
?Tankers and Tanker Depots ?Fueling Stations
?Bulk Loading Stations ?Fertilizer Plants
?Defense & Aero-Space Installations ?Gas Plants
?Munitions Storage Depots ?Liquefied Natural Gas Terminals
?Oil & other Refineries ?Oil & Gas Metering Facilities
?Paint & Varnish Manufacturing Plants ?Grain Processing & Similar Industries



Details of the camera are shown in the user's manual provided by the camera manufacturer


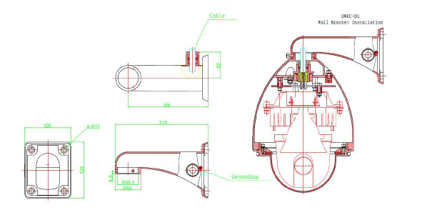
W:Wall Bracket
P:Pendant Bracket
Dewei pursues a policy of continuous improvement therefore specifications are subject to change without prior notice.
|
Please write what you need, we will contact you asap!
Give technical advice within 30 minutes | Provide program design within 24 hours | Send domestic / foreign engineers within 24/72 hours
|
